病理学/肾上腺肿瘤
(一)肾上腺皮质腺瘤
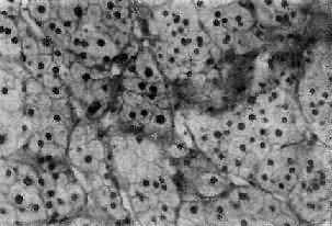
肾上腺皮质腺瘤与局灶性结节性增生的病变相似,两者可以并发。腺瘤通常是单侧单发性,并有薄层包膜,对周围组织有压迫现象,为鉴别的主要点。大小直径为1~5cm,切面黄色,有时呈红褐色,镜下多为类似束状带的泡沫状透明细胞,含有丰富类脂质,有时由类脂含量少的嗜酸性细胞构成,或者两种细胞混合存在。瘤细胞排列成团,由含有毛细血管的少量间质分隔(图15-16)。部分腺瘤为功能性,可引起醛固酮增多症或Cushing综合征,在形态上与非功能性腺瘤没有区别。
图15-16 肾上腺皮质腺瘤
上图 下图
(二)肾上腺皮质癌
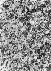
肾上腺皮质癌(adrenocortical carcinoma)甚少见,一般为功能性,发现时一般比腺瘤大,重量常超过100g,呈浸润性生长,正常肾上腺组织破坏或被淹没,向外侵犯周围脂肪组织甚至该侧肾。小的腺癌可有包膜。切面棕黄色,常见出血、坏死及囊性变。镜下分化差者异型性高,瘤细胞大小不等,并可见怪形核及多核,核分裂像多见(图15-17)。常转移到腹主动脉淋巴结或血行转移到肺、肝等处。分化高者镜下像腺瘤,如果癌体小又有包膜,很难与腺瘤区别,有人认为直径超过3cm者,应多考虑为高分化腺癌。
图15-17 肾上腺皮质癌
肾上腺髓质来自神经嵴,原始细胞为交感神经母细胞,以后分化为神经节细胞及嗜铬细胞,因此可形成神经母细胞瘤、神经节细胞瘤及嗜铬细胞瘤(神经母细胞瘤及神经节细胞瘤详见第十六章)。
嗜铬细胞瘤(phenochromocytoma) 80%~90%发生于肾上腺髓质,绝大部分为单侧单发性,偶尔见于双侧,90%为良性,好发于30~50岁。肿瘤细胞可分泌去甲肾上腺素和肾上腺素,以去甲肾上腺素为主,偶尔也分泌多巴胺及其他激素,故临床主要有儿茶酚胺过高的症状,表现为血压增高,多呈间歇性发作,并伴有头痛、发汗、末梢血管收缩、脉搏加快、血糖增高、基础代谢上升等症状。肉眼观,大小不一,平均100g左右,甚至可达2000g,有包膜,切面灰红色、灰褐色,常见出血、坏死、囊性变及坏死灶。镜下嗜铬细胞为大多角形细胞,形成细胞索或细胞巢,可有不同程度的多形性,有时出现巨细胞,瘤细胞胞浆内有大量嗜铬的微细颗粒;电镜下,颗粒有包膜,电子致密度低者含有肾上腺素,而包膜不清楚电子致密度高者含有去甲肾上腺素,用免疫组化方法亦可显示。间质主要是血窦。良、恶性肿瘤在细胞形态方面无截然界限,包膜被侵犯並不能作为恶性的肯定证据,但如有周围组织浸润及转移,则属恶性无疑。
肾上腺外嗜铬细胞瘤多为多发性,位于主动脉两侧副节细胞分布处,常称为副节细胞瘤(paraganglioma)。本瘤好发于10~20岁,多数为多发性内分泌肿瘤的一部分,40%为恶性。
| |||||||||||||||||||||||

