脂肪组织

来自医学百科
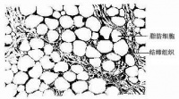
Bk7qc.jpg

脂肪组织(adipose tissue)主要由大量群集的脂肪细胞构成,聚集成团的脂肪细胞由薄层疏松结缔组织分隔成小叶。

脂肪组织能够以旁、自分泌和远距分泌方式产生生物活性因子或因子样分子,称为脂肪因子。它们影响胰岛素敏感性、血压

水平!内皮功能、纤溶活动及炎症反应,参与多种重要病理生理过程;脂肪组织已由过去单纯作为能量储存的器官而成为一个极其重要的内分泌系统。生理学这一重要的概念更新对生命科学及临床科学均将影响深远。

根据脂肪细胞结构和功能的不同,脂肪组织分为两类。

1.黄(白)色脂肪组织 呈黄色(在某些哺乳动物呈白色),即通常所说的脂肪组织。它由大量单泡脂肪细胞集聚而成,脂肪细胞呈圆形或多边形,细胞中央有一大脂滴,胞质呈薄层,位于细胞周缘,包绕脂滴。在HE切片上,脂滴被溶解成一大空泡。胞核扁圆形,被脂滴推挤到细胞一侧,连同部分胞质呈新月形。黄色脂肪组织主要分布在皮下组织、网膜和肠系膜等处,在成年男子一般约占体重的10%~20%,女人往往更多一些。体内最大的“能源库”。具有贮存脂肪、保持体温和参与脂肪代谢的功能。参与能量代谢,并具有产生热量、维持体温、缓冲保护和支持填充等作用。

2.棕色脂肪组织 呈棕色,其特点是组织中有丰富的毛细血管,脂肪细胞内散在许多小脂滴,线粒体大而丰富,核圆形,位于细胞中央。这种脂肪细胞称为多泡脂肪细胞。

棕色脂肪组织在成人极少,新生儿冬眠动物较多,在新生儿主要分布在肩胛间区、腋窝及颈后部等处。棕色脂肪组织的主要功能是,在寒冷的刺激下,棕色脂肪细胞内的脂类分解、氧化,散发大量热能,而不转变为化学能。这一功能受交感神经调节。

贮存的脂肪,在需要时可迅速分解成甘油和脂肪酸,经血液输送到各组织以供利用。脂肪分解后能产生大量的热能,约9.5千卡/克,为相应糖、蛋白质产能的2倍。在一般正常情况下,人体所消耗的能源物质60%~80%来自体内的糖分,在短期饥饿情况下,则主要由体内的脂肪供能。

脂肪组织实验脂肪组织——示教:26号切片

脂肪组织主要由脂肪细胞组成。脂肪细胞质内充满脂肪滴,胞质位于细胞边缘成一薄层,核亦被挤到细胞的边缘,压成扁形。普通制片法,H.E染色的脂肪组织,因脂肪被酒精及二甲笨溶解,细胞呈空泡状。并因挤压而呈椭圆或多角形,又因许多细胞聚集在一起,形成蜂窝状。

参看[编辑 | 编辑源代码]