鼠肝
| 鼠肝 Shǔ Gān | |
|---|---|
|
| |
| 别名 | |
| 功效作用 | 化瘀;解毒疗伤。主肌肤破损;聤耳流脓 |
| 英文名 | Mouse liver |
| 始载于 | 《本草经集注》 |
| 毒性 | |
| 归经 | 肺经、肝经 |
| 药性 | 平 |
| 药味 | 甘、苦 |
药用[编辑 | 编辑源代码]
(《本草经集注》)
【来源】为鼠科动物褐家鼠、黑家鼠等的肝。
【功用主治】
①《本草经集注》:“治产难。”
②《纲目》:“治箭镞不出,捣涂之。”
相关研究示例[编辑 | 编辑源代码]
目的: 观测中药肝复健冲剂对二乙基亚硝胺(DEN)诱导大鼠肝纤维化形成的影响.
方法: 建立DEN诱导大鼠肝硬化模型,同时给予肝复健冲剂进行干预,应用天狼红苦味酸特染法、免疫组化染色法及计算机图像分析技术检测中药对DEN致大鼠肝纤维化过程胶原沉淀及肝细胞增殖特性的影响.
1材料和方法
1.1材料SD雄性大鼠,体质量150~180 g,由第四军医大学实验动物中心提供. 二乙基亚硝胺(DEN)购自Sigma公司. 天狼红(解放军第475医院赠送). PCNA检测试剂盒购自DAKO公司. 中药饲料:肝复健冲剂按30.4 g?kg-1均匀混合于基础饲料中压制而成(第四军医大学实验动物中心提供).
1.2方法
1.2.1模型建立大鼠适应环境3 d随机分为模型组(Model)及中药组(Ganfujian,GFJ),每组各30只,分别以0.1 g.L-1 DEN自由饮水,同时分别给予基础饲料或含中药的饲料喂养. 16 wk时停用DEN饮水及中药饲料. 考虑到造模过程大鼠有一定死亡率,分别于建模开始后每4 wk两组各处死5只大鼠,剩余大鼠留继续观察. 取肝组织固定于100 g.L-1甲醛溶液,石蜡包埋,切片厚4 μm. 常规HE染色、切片胶原特殊染色及免疫组化染色.
1.2.2切片胶原染色按天狼红饱和苦味酸法[4]. 普通石蜡切片,厚4 μm;常规脱蜡至水,0.1 mol?L-1天狼红饱和苦味酸,避光室温孵育20 min;不洗,950 mL?L-1乙醇脱水,二甲苯透明,封片.
1.2.3PCNA免疫组织化学染色取材肝组织固定于100 mL?L-1缓冲甲醛溶液24 h,常规石蜡包埋,切4 μm厚切片,二甲苯、梯度乙醇脱蜡至水;染色方法为免疫ABC法. 以0.1 mol?L-1 PBS 取代一抗作阴性对照,以正常大鼠肝组织作正常对照.
1.2.4染色结果判定及计算机图像分析肝脏背景为淡黄色,胶原阳性着色呈红色, 采用HPIAS1000高清晰度彩色病理图文分析系统,随机选择5个汇管区进行染色胶原的定量分析(面积占视野面积),取其均值. PCNA阳性着色为覆盖胞核的棕黄色颗粒. 用网格(10×10)测试法计数阳性肝细胞. 切片各选择10个按同一方向移行、不重叠的高倍镜视野(×40),记数阳性及阴性细胞数(100个细胞).
统计学处理:采用SPSS统计分析软件对所获得的数据进行组间秩和检验.
2结果
2.1大鼠肝纤维化过程组织形态学变化模型组大鼠使用DEN 4~8 wk时肝表面由平滑逐渐变为粗糙,可见小颗粒,呈局灶性. 光镜下肝细胞肿胀,空泡变性,局灶性坏死,伴炎细胞浸润,并逐渐出现纤维组织增生. 12 wk时40%大鼠已出现明显肝硬化,肝表面更加粗糙,肝脏增大、肿胀,色暗或淡. 16 wk时大鼠均有肝硬化表现,结节增多变大,肝脏缩小,组织学有大量形态不一,大小排列不齐的假小叶形成. 部分大鼠肝脏已出现早期癌结节,镜下可见少量癌细胞增生. 中药组大鼠各时期肝脏损害均较单纯诱导组轻,12 wk无肝硬化大鼠,16 wk 50%大鼠出现肝硬化,但未发现癌变.
2.2大鼠肝纤维化过程肝内胶原沉积变化模型组大鼠4 wk肝内即出现少量红色胶原阳性染色,多集中于汇管区. 随着肝内病变加重,假小叶的形成,肝脏沉积的胶原逐渐增多, 16 wk病变以结节性肝硬化为主,切片胶原沉积量亦达到顶峰. 中药组大鼠肝内病变较模型组明显减轻,肝硬化发生晚,肝内胶原沉积量少,在4 wk及12 wk两组间差异有统计学意义(P<;0.05, Tab 1).
2.3大鼠肝纤维化过程肝细胞阳性表达PCNA情况在模型初期即可见少量肝细胞PCNA阳性着色,随着模型进展,大鼠肝脏PCNA阳性表达的肝细胞数目逐渐增加,并在12~16 wk呈明显攀升趋势. 中药组大鼠PCNA阳性的肝细胞数在各期均低于模型组,其中12~16 wk差异显著(P<;0.05, Tab 2).
3讨论
肝纤维化是许多慢性肝病重要的中间环节,是由于肝内纤维生成与降解失衡,致使过多的胶原在肝内沉积,常伴于炎症并可发展为肝硬化. 肝纤维化形成作为肝硬化发展过程中的一个重要现象,与肝硬变的发展是平行的[5],因此肝纤维化程度的精确了解是慢性肝病研究不可少的. 然而常用的血清学指标和组织学纤维化分级标准却难以直接、准确反映肝脏内胶原沉积变化. 本文采用切片胶原图像定量处理方法具有准确、客观、数据可信度高等特点,能精确反映肝内胶原沉积(主要为I, III型胶原)变化[4]. 本实验中应用该法检测DEN诱导大鼠肝纤维化过程中肝内胶原沉积的变化,结果显示随着肝细胞变性、炎症高峰到桥接性坏死、肝硬化形成,肝脏形态学改变与胶原沉积呈同步变化.
细胞的异常增殖是癌变发生的主要特征. PCNA是一种从细胞核中分离纯化出来的多肽链,直接参与细胞增殖过程中的DNA复制,其含量和阳性表达是反应G1晚期和S早期肝细胞增殖的常用指标[6-8]. 在本模型中初期即出现少量肝细胞PCNA阳性着色,而随着模型进展,尤其在12~16 wk(肝硬化期)PCNA阳性肝细胞数明显增加,与肝内病变进展呈一致变化. 即随着肝硬化的形成,异常增殖肝细胞数目呈明显增加趋势,提示从肝脏炎性改变、肝纤维化至肝硬化的形成,异常增殖的肝细胞数目不断增加,癌变的可能性亦逐渐增加.
近年来中医药防治肝纤维化取得了不少进展,也积累了丰富的经验,从单味药、复方及其有效成份等入手,初步发现活血化瘀与扶正补虚两类中药具有良好的防治肝纤维化作用. 由于采用中草药治疗慢性肝病在临床上有肯定疗效,且又具有无明显毒性反应或副作用的优点,因此,是防治肝纤维化较有希望的治疗手段,已引起国内外肝病研究人员的极大兴趣[9]. 健脾扶正法是防治肝硬化与肝癌最常用的方法之一,曾证明对肝硬化和DEN致大鼠肝癌前病变的发生可能有一定的预防作用[10-12]. 肝复健冲剂以健脾益气立法,组方均为药食同源中药,具有低毒、可长期服用的特点. 本实验结果显示该冲剂可明显减少肝内胶原沉积,延缓化学致癌物DEN所致大鼠肝纤维化过程,同时对肝硬化形成期阳性表达PCNA的肝细胞数目亦有显著抑制作用. 提示该冲剂可通过减轻化学物质引起的肝内炎性病变,减少肝内以I、III型为主的胶原沉积,延缓和减轻肝纤维化过程,同时可抑制肝硬化形成及演变期肝细胞可能的恶性增殖,达到阻抑肝硬化形成及其继续发展为肝癌的作用.
(二)大蒜素对实验性大鼠肝纤维化的作用研究
大蒜素是强效抗氧化剂,目前国内外研究显示它能增强肝脏谷胱甘肽抗氧化系统功能,能拮抗乙醇氧化性肝损伤。本研究通过对肝脏病理学、超微结构、细胞外基质与肝纤维化相关指标的观测研究大蒜素对肝纤维化的防治作用。
一、材料和方法
1、材料:SD大鼠46只,雌雄兼用,体重220-260g,由苏州大学实验动物中心提供。大蒜素微粒:江苏省靖江制药厂提供,批号:2001011.2。秋水仙碱:昆明制药有限公司,批号:980732,规格:0.5mg/片。二甲基亚硝胺(DMN):上海开明化学厂生产化学纯,批号:0161072。酶联免疫检测试剂盒等均由上海森雄科技实业有限公司提供。
2、仪器:①透视电子显微镜CH600,日本Hitachi。②酶标仪:Denley Dragon Wellscan MKI芬兰Lab systems提供。
3、方法①动物分组:正常对照组(n=6):予蒸馏水灌胃,生理盐水腹腔注射;模型组(n=8):蒸馏水,DMN;小剂量大蒜素预防组(n=8):予大蒜素11mg.kg-1.d-1,DMN;中剂量大蒜素预防组(n=8):予大蒜素22mg.kg-1.d-1,DMN;中剂量大蒜素治疗组(n=8):予大蒜素22mg.kg-1.d-1,DMN;秋水仙碱组(n=8):予秋水仙碱0.15mg.kg-1.d-1,DMN。给药方法:用生理盐水将DMN配成0.5%的溶液10mg.kg-1.次-l腹腔注射,第1周每天1次,连续3d,第2~4周每周1次,第5、6周均每天1次,连续2d,实验结束后腹主动脉取血制备血清。采血后取肝脏左叶常规固定备用。将大蒜素用蒸馏水分别配成相应浓度,按10m1.kg-1.次-1灌胃给药。除大蒜素中剂量治疗组在模型建立3周后给药,余各组在建模开始时同时给药。②观测指标及方法:检测血清丙氨酸转氨酶(ALT),天冬氨酸转氨酶(AST)、白蛋白,I型前胶原肽(PINP)、Ⅲ型前胶原肽(PⅢNP)和透明质酸(HA)检测采用双抗体夹心ABC-ELISA法。层粘连蛋白(LN)检测采用酶联免疫竞争法。肝组织HE染色及胶原纤维(V-G)、网状纤维特殊染色(Gommori)。
二、结果
1、大蒜素对大鼠肝纤维化模型肝功能影响:模型组血清AST和ALT活性明显增加,分别为正常对照组的1.7倍(p<;0.01)和1.5倍(p<;0.01)。大蒜素抑制DMN所致的上述改变,可使血清AST和ALT活性完全恢复正常,并能提高血清白蛋白含量,而秋水仙碱则无降低AST、ALT及升高血清白蛋白含量作用(p>;0.05)。
2、大蒜素对大鼠血清纤维化指标的影响:模型组LN、HA、P工NP、PⅢNP较正常组明显增加(p<;0.05),大蒜素小、中剂量预防组、中剂量治疗组LN、PINP、PⅢNP较模型组明显下降(p<;0.05),其中大蒜素中剂量预防组对降低HA、LN、PINP、PⅢNP作用最大。秋水仙碱组仅对LN、PⅢNP减少作用显著。
3、大蒜素对肝组织病理学影响:HE染色、Gommori、V-G染色均显示大蒜素预防和治疗组与模型组相比,可明显减轻纤维化等级及SSS分值。
4、光镜结果:正常组:肝小叶内网状纤维支架完整,分布规则,无胶原纤维存在。模型组:肝细胞变性坏死,肝小叶结构破坏,纤维组织增生,假小叶形成。大蒜素组:中央静脉周围可见纤维组织,未见明显假小叶形成。
5、电镜结果:模型组肝细胞萎缩,线粒体固缩或肿胀,细胞内见大量脂滴及空泡样变,小胆管扩张,胆管上皮增生,微绒毛减少。Disse间隙见多处纤维沉积,肝窦内皮细胞的窗孔消失,内皮细胞下基底膜形成。大蒜素组Disse间隙纤维化明显减轻,其中中剂量大蒜素组接近正常。
讨论
目前研究发现大蒜素对四氯化碳诱发大鼠肝损伤引起的AST和脂质过氧化产物丙二醛水平的升高有明显的抑制作用,这种作用具有剂量效应关系。
血清LN、HA、PINP、PⅢNP是检测肝纤维化可靠的血清学指标。其中LN、PⅢNP在肝纤维化过程早期出现,常与肝细胞的炎症坏死有关,尤其是LN参与形成肝窦内皮细胞基底膜。而HA、PINP在肝纤维化过程晚期出现,可作为衡量药物抗肝纤维化效应指标。本组结果示大蒜素各组PINP、PⅢNP、LN均低于模型组,表明其肝内合成纤维受到抑制,肝组织学显示大蒜素可降低肝纤维化等级及SSS分值。其中以中剂量预防组效果最好,电镜观察同样显示大蒜素各防治组Disse间隙及肝窦纤维沉积及抑制内皮细胞基底膜形成较模型组明显好转。提示大蒜素对实验性肝纤维化具有一定的预防和治疗作用。
大蒜素抗实验性肝纤维化的可能机制为:①大蒜素具有良好的抗氧化作用。肝细胞损伤可产生脂质过氧化产物如丙二醛等激活肝星状细胞(HSC)合成胶原。抗氧化治疗有利于减轻肝损伤和肝纤维化。本实验在DMN造模大鼠中观察到肝功能改善,提示大蒜素可通过抑制脂质过氧化而对肝损伤及纤维化起抑制作用。②间接抑制HSC细胞转化。HSC在肝受损时被激活,转化成肌成纤维细胞(MFBLC)。
目前研究认为,大蒜素由于其抗脂质过氧化(LPO)作用使血管内前列腺素(PG)I:明显增加,PGI:能抑制血小板衍生生长因子(PDGF)激活的DNA合成而抑制血管平滑肌细胞增殖。大蒜素可能通过抑制PDGF激活的DNA合成而抑制HSC的增殖。③大蒜素还能提高纤维蛋白自溶解活性,从而使纤维蛋白降解产物(FDP)增加。本组设立治疗组,在肝纤维化造模3周后给药,结果表明大蒜素治疗组肝脏病理组织学检查及胶原蛋白含量与肝纤维化模型组差异有显著性,说明大蒜素可能具有促进胶原蛋白降解与胶原纤维重吸收的作用。
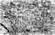
图片介绍:[编辑 | 编辑源代码]
大鼠肝细胞电镜像
图13-14 大鼠肝细胞电镜像 ×16100
N细胞核,RER粗面内质网,M线粒体,G高尔基复合体,Ly溶酶体,BC胆小管
(上海医科大学电镜室供图)
肝细胞核大而圆,居中央,常染色质丰富丰色浅,核膜清楚,核仁1至数个。部分肝细胞(约25%)有双核,有的肝细胞的核体积较大,为多倍体核。肝细胞核DNA含量分析,正常成体肝细胞以四倍体核占多数,约占肝细胞总数的70%左右,还有少量八倍体肝细胞。一般认为,双核肝细胞和多倍体肝细胞的功能比较活跃。肝细胞是一种高度分化并具有多种功能的细胞,胞质内各种细胞器丰富而发达,并含有糖原,脂滴等内涵物(图13-14)。细胞器和内涵物的含量与分布常因细胞的功能状况或饮食变化而变动。在HE染色切片中,肝细胞质呈嗜酸性,并含有散在的嗜碱性物质,它是由粗面内质网组成的结构。
线粒体:每个肝细胞约有2000个左右,遍布于胞质内,为肝细胞的功能活动不断提供能量。
粗面内质网(RER):成群分布于胞质内,是肝细胞合成多种蛋白质的基地。血浆中的白蛋白、纤维蛋白原、凝血酶原、脂蛋白、补体蛋白以及许多载体蛋白等都是在RER的核糖体上合成。然后经内质网池转移到高尔基复合体,组装形成运输小泡或直接经胞质的基质,从血窦面排出。
滑面内质网(SER):广泛分布于胞质内,SER膜上有多种酶系分布,如氧化还原酶、水解酶、转移酶、合成酶等。肝细胞摄取的各种有机物可在SER进行连续的合成、分解、结合和转化等反应,故肝细胞SER有多种功能,如胆汁合成和胆红素、脂类与激素的代谢以及生物转化等。胆汁中的重要成分胆酸,是在SER的酶作用下由胆固醇转变而成。肝细胞从血液中摄取的脂肪酸,是在SER的酶作用下由胆固醇转变而成。肝细胞从血液中摄取的胆红素,在SER上的葡萄糖酸转移酶的作用下转变为水溶性的结合胆红素,经胆汁排出。肝细胞摄取的脂肪酸,在SER上再度酯化为甘油三脂,并与蛋白质结合形成极低密度脂蛋白(VLDL)。多种激素尤其是类固醇激素的灭活,也是在SER上进行的。机体代谢过程中产生的某些有毒产物或从肠道吸收入肝的有害物质(药物、腐败产物等),经SER的酶氧化、还原、水解、结合等生物转化作用,使其毒性减弱或水溶性增强而易于排泄。若经常服用某些药物(如巴比妥等),可促使肝细胞的SER增生,酶活性增强,机体对这些药物的耐受性也增强。
高尔基复合体:每个肝细胞约有50个。高尔基复合体参与肝细胞的分泌活动,RER合成的蛋白质转移到高尔基复合体进行加工或贮存,然后经运输小泡由血窦面排出。肝细胞近胆小管处的高尔基复合体尤为发达,与胆小管面质膜的更新及胆汁的排泌有关。
溶酶体:数量和大小不一。肝细胞吞饮的物质、退化的细胞或细胞内过剩物质常与溶酶体融合,被水解酶消化分解,或滞留在溶酶体内。溶酶体的这种作用,对肝细胞结构的不断更新和细胞正常功能的维持十分重要。
过氧化物酶体(微体):为圆形小体,大不不一,人肝细胞微体呈均质状结构,有的动物(鼠)肝细胞微体有致密核芯。微体内主要含过氧化氢酶和过氧化物酶,它们可将细胞代谢产生的过氧化氢还原为水,以消除过氧化氢对细胞的毒性作用。微体内还有黄嘌呤氧氧化酶等,它们能将核酸的代谢产物嘌呤氧化为尿酸,由尿中排出。鼠肝细胞微体内的核芯含尿酸氧化酶,人肝细胞微体内无核芯,也不含尿酸氧化酶。
内涵物:肝细胞内有糖原、脂滴、色素等内涵物,它们的含量因机体的生理和病理状况的不同而异。进食后糖原增多,饥饿时糖原减少。正常肝细胞内脂滴少,肝病时脂滴多。肝细胞胞质的色素有胆红素、含铁血黄素、脂褐素等,它们也可以贮存在溶酶体内,脂褐素的含量随机体年龄的增长而增多。
| ||||||||||||||||||||||||||||