组织学/肺的血管、淋巴管和神经

来自医学百科

1.肺的血管 肺有两组血循环管道,即肺循环支气管循环。

(1)肺循环:肺循环是肺的功能性血循环。肺动脉弹性动脉,它从肺门入肺后不断分支,与支气管的各级分支伴行,直至肺泡隔内形成密集的毛血管网(图14-17)。在肺泡处进行气体交换后,毛细血管汇集成小静脉,行于肺小叶结缔组织内而不与肺动脉的分支伴行。小静脉汇集成较大的静脉后,才与支气管分支及肺动脉分伴行,最后在肺门入汇合成两条肺静脉出肺。

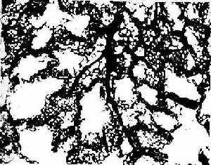
兔肺血管灌注示肺动脉分支及肺泡隔毛细血管网


图14-17兔肺血管灌注示肺动脉分支及肺泡隔毛细血管网 ×400

↓肺动脉分支

(2)支气管循环:支气管循环是肺的营养性血循环。支气管动脉起自胸主动或肋间动脉,有数条,管径较细,为肌性动脉。支气管动脉沿途在肺导气部和呼吸细支气管管壁内,以及肺动脉、肺静脉管壁内和肺结缔组织内分支形成毛细血管,其内皮为有孔型,给肺组织提供营养.支气管也有终末支参与形成肺泡壁内的毛细血管网。上述毛细血管部分汇入肺静脉,部分汇集形成支气管静脉,与支气管伴行,由肺门出肺。支气管动脉还分支供应肺胸膜和肺淋巴结

2.肺的淋巴管肺的淋巴管有浅丛和深丛两组。浅丛分布在肺胸膜内,淋巴丛汇合形成几支较大的淋巴管,将淋巴输入肺门淋结。深丛分布在肺支气管树的管壁内和肺泡隔内以及肺血管的周围,最后也汇合成几支淋巴管,将淋巴输入肺门淋巴结。

3.肺的神经肺的传出神经纤维交感神经副交感神经)和传入神经纤维在肺门形成丛(肺丛),神经纤维随支气管分支和血管分支入肺。传出神经末梢分布在支气管树平滑肌、血管平滑肌和腺体,交感神经纤维肾上腺素能神经,兴奋时使支气管平滑肌松弛,血管平滑肌收缩,腺体分泌减少;副交感神经纤维为胆碱能神经,兴奋时使支气管平滑肌收缩,血管平滑肌松弛,腺体分泌增强。传入神经纤维末梢分布于支气管树管壁粘膜内及肺泡上皮,纤维出肺后行于迷走神经内,将肺内的刺激传入脑呼吸中枢