病理学/肿瘤细胞的异型性

来自医学百科

良性肿瘤细胞的异型性小,一般与其发源的正常细胞相似。恶性肿瘤细胞常具有高度的特异性,表现为以下特点:

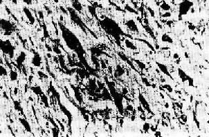
1.瘤细胞的多形性 即瘤细胞形态及大小不一致。恶性肿瘤细胞一般比正常细胞大,各个瘤细胞的大小和形态又很不一致,有时出现瘤巨细胞(图7-2)。但少数分化很差的肿瘤,其瘤细胞较正常细胞小、圆形,大小也比较一致。

横纹肌肉瘤


图7-2 横纹肌肉瘤

瘤细胞大小、形状不一,并有瘤巨细胞出现

2.b] 即瘤细胞核的大小、形状及染色不一致。细胞核的体积增大(核肥大),胞核细胞浆的比例比正常增大(正常为1:4~6,恶性肿瘤细胞则接近1:1),核大 小及形状不一,并可出现巨核、双核、多核或奇异形的核,核染色深(由于核内DAN增多),染色质呈粗颗粒状,分布不均匀,常堆积在核膜下,使核膜显得增 厚。核仁肥大,数目也常增多(可达3~5个)。核分裂像常增多,特别是出现不对称性、多极性及顿挫性等病理性核分裂像时,对于诊断恶性肿瘤具有重要的意 义。恶性肿瘤细胞的核异常改变多与染色体多倍体(polyploidy)或非整倍体(aneuploidy)有关。

'3.胞浆的改变' 由于胞浆内核蛋白体增多,胞浆呈嗜碱性并可因为瘤细胞产生的异常分泌物或代谢产物而具有不同特点,如激素、粘液、糖原脂质、角质和色素等。

上述瘤细胞的形态,特别是胞核的多形性常为恶性肿瘤的重要特征,在区别良恶性肿瘤上有重要意义。

4. 肿瘤细胞超微结构的异型性由于肿瘤类型不同,瘤细胞的超微结构亦有差异。一般说来,良性肿瘤细胞的超微结构基本上与其起源细胞相似。恶性肿瘤细胞根据分化 的高低而表现出不同程度的异型性。总的说来,恶性肿瘤细胞的核通常绝对或相对明显增大,核膜可有内陷或外凸,从而使核形不规则甚至形成怪形核。核仁体积增 大,数目增多,形状亦可不规则,位置往往靠边。染色质可表现为异染色质增加,凝集成块状散在或(和)边集在核膜下。此即光镜下所见的深染核和核膜增厚;也 可表现为常染色质为主,即光镜下所见染色质呈细颗粒状的淡染核。胞浆内的细胞器常有数目减少、发育不良或形态异常,这在分化低的恶性肿瘤细胞更为明显。胞 浆内主要见游离的核蛋白体,而其他细胞器大为减少。说明瘤细胞主要合成供自身生长的蛋白质,而丧失其分化的功能,这与瘤细胞生长迅速和恶性程度高有关。溶 酶体在侵袭性强的瘤细胞中常有增多,它可释放出大量水解酶,为瘤细胞的浸润开路。细胞间连接常有减少,这在分化低的癌更为突出。可引起细胞间粘着松散,有 利于细胞浸润生长。有些在一般情况下在细胞膜表面无微绒毛的瘤细胞也可出现一些不规则微绒毛,这有利于营养物质的吸收,但有碍于细胞间的紧密接触,从而减 弱接触抑制,有利于细胞增殖和浸润。瘤细胞的排列结构在分化低的肿瘤也可丧失其原具有的特征改变,例如腺癌细胞可失掉形成腺体的特征而呈弥散排列。因此, 恶性肿瘤的超微结构异型性的改变,除了瘤细胞本身的改变外,还可有排列结构的改变。